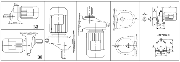
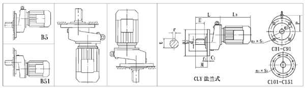
C系列一級斜齒輪減速機安裝尺寸圖
www.eghtebas.com 格魯夫機械 2015-07-03 08:58:27
點擊:
C31、C41、C61、C71、C81、C91、C101、C121、C151、系列一級斜齒輪減速機安裝尺寸圖表


|
|
A1
|
a
|
a0
|
a1
|
b
|
b0
|
b1
|
c
|
c1
|
d
|
E
|
e1
|
f1
|
h
|
L
|
M
|
n1
|
P
|
r
|
S
|
S1
|
t
|
|
C31
|
52
|
140
|
110
|
160
|
160
|
125
|
110
|
12
|
8
|
20
|
40
|
130
|
3
|
55
|
140
|
50
|
4
|
104
|
6
|
9
|
9
|
22.5
|
|
C41
|
72
|
140
|
110
|
200
|
180
|
135
|
130
|
16
|
12
|
25
|
50
|
165
|
3.5
|
70
|
162
|
60
|
4
|
132
|
8
|
11
|
11
|
28
|
|
C61
|
75
|
155
|
120
|
200
|
180
|
135
|
130
|
20
|
12
|
25
|
50
|
165
|
3.5
|
80
|
170
|
60
|
4
|
138
|
8
|
14
|
11
|
28
|
|
C71
|
105
|
190
|
150
|
250
|
230
|
170
|
180
|
25
|
15
|
40
|
80
|
215
|
4
|
90
|
230
|
90
|
4
|
173
|
12
|
18
|
14
|
43
|
|
C81
|
120
|
210
|
160
|
350
|
290
|
215
|
250
|
35
|
18
|
45
|
90
|
300
|
5
|
100
|
250
|
100
|
4
|
218
|
14
|
18
|
18
|
48.5
|
|
C91
|
133
|
240
|
180
|
400
|
340
|
260
|
300
|
40
|
20
|
50
|
100
|
350
|
5
|
120
|
283
|
110
|
4
|
265
|
14
|
20
|
18
|
53.5
|
|
C101
|
152
|
270
|
210
|
450
|
400
|
310
|
350
|
45
|
22
|
60
|
120
|
400
|
5
|
140
|
327
|
130
|
8
|
305
|
18
|
22
|
18
|
64
|
|
C121
|
175
|
350
|
270
|
450
|
510
|
400
|
350
|
55
|
22
|
75
|
140
|
400
|
5
|
160
|
400
|
150
|
8
|
381
|
20
|
26
|
18
|
79.5
|
|
C151
|
221
|
400
|
300
|
550
|
620
|
500
|
450
|
70
|
25
|
90
|
170
|
500
|
5
|
200
|
477
|
180
|
8
|
462
|
25
|
33
|
22
|
95
|
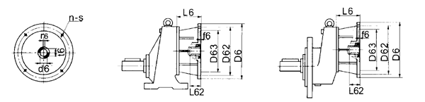
C31、C41、C61、C71、C81、C91、C101、C121、C151、一級斜齒輪減速機連接法蘭尺寸
法蘭聯(lián)接尺寸

|
|
|
d6
|
t6
|
r6
|
f6
|
L6
|
L62
|
D6
|
D62
|
D63
|
|
C..31
|
P63
|
11
|
13
|
4
|
3.5
|
83
|
26
|
140
|
115
|
95
|
|
P71
|
14
|
16
|
5
|
3.5
|
83
|
33
|
160
|
130
|
110
|
|
|
P80
|
19
|
22
|
6
|
4.5
|
103
|
43
|
200
|
165
|
130
|
|
|
P90
|
24
|
27
|
8
|
4.5
|
103
|
53
|
200
|
165
|
130
|
|
|
C..41
C..61
|
P63
|
11
|
13
|
4
|
3.5
|
83
|
26
|
140
|
115
|
95
|
|
P71
|
14
|
16
|
5
|
3.5
|
103
|
33
|
160
|
130
|
110
|
|
|
P80
|
19
|
22
|
6
|
4.5
|
103
|
43
|
200
|
165
|
130
|
|
|
P90
|
24
|
27
|
8
|
4.5
|
103
|
53
|
200
|
165
|
130
|
|
|
P100
|
28
|
31
|
8
|
5
|
110
|
63
|
250
|
215
|
180
|
|
|
P112
|
28
|
31
|
8
|
5
|
110
|
63
|
250
|
215
|
180
|
|
|
C..71
|
P63
|
11
|
13
|
4
|
3.5
|
103
|
26
|
140
|
115
|
95
|
|
P71
|
14
|
16
|
5
|
3.5
|
103
|
33
|
160
|
130
|
110
|
|
|
P80
|
19
|
22
|
6
|
4.5
|
110
|
43
|
200
|
165
|
130
|
|
|
P90
|
24
|
27
|
8
|
4.5
|
110
|
53
|
200
|
165
|
130
|
|
|
P100
|
28
|
31
|
8
|
5
|
110
|
63
|
250
|
215
|
180
|
|
|
P112
|
28
|
31
|
8
|
5
|
110
|
63
|
250
|
215
|
180
|
|
|
P132
|
38
|
41
|
10
|
5
|
133
|
85
|
300
|
265
|
230
|
|
|
C..81
|
P80
|
19
|
22
|
6
|
4.5
|
110
|
43
|
200
|
165
|
130
|
|
P90
|
24
|
27
|
8
|
4.5
|
110
|
53
|
200
|
165
|
130
|
|
|
P100
|
28
|
31
|
8
|
5
|
133
|
63
|
250
|
215
|
180
|
|
|
P112
|
28
|
31
|
8
|
5
|
133
|
63
|
250
|
215
|
180
|
|
|
P132
|
38
|
41
|
10
|
5
|
133
|
85
|
300
|
265
|
230
|
|
|
P160
|
42
|
45
|
12
|
6
|
171
|
115
|
350
|
300
|
250
|
|
|
C..91
|
P100
|
28
|
31
|
8
|
5
|
133
|
63
|
250
|
215
|
180
|
|
P112
|
28
|
31
|
8
|
5
|
133
|
63
|
250
|
215
|
180
|
|
|
P132
|
38
|
41
|
10
|
5
|
171
|
85
|
300
|
265
|
230
|
|
|
P160
|
42
|
45
|
12
|
6
|
171
|
115
|
350
|
300
|
250
|
|
|
P180
|
48
|
52
|
14
|
6
|
171
|
115
|
350
|
300
|
250
|
|
|
C..101
|
P100
|
28
|
31
|
8
|
5
|
171
|
63
|
250
|
215
|
180
|
|
P112
|
28
|
31
|
8
|
5
|
171
|
63
|
250
|
215
|
180
|
|
|
P132
|
38
|
41
|
10
|
5
|
171
|
85
|
300
|
265
|
230
|
|
|
P160
|
42
|
45
|
12
|
6
|
171
|
115
|
350
|
300
|
250
|
|
|
P180
|
48
|
52
|
14
|
6
|
171
|
115
|
350
|
300
|
250
|
|
|
P200
|
55
|
59
|
16
|
7
|
171
|
115
|
400
|
350
|
300
|
|
|
P225
|
60
|
64
|
18
|
7
|
215
|
145
|
450
|
400
|
350
|
|
|
C..121
|
P100
|
28
|
31
|
8
|
5
|
150
|
63
|
250
|
215
|
180
|
|
P112
|
28
|
31
|
8
|
5
|
150
|
63
|
250
|
215
|
180
|
|
|
P132
|
38
|
41
|
10
|
5
|
150
|
85
|
300
|
265
|
230
|
|
|
P160
|
42
|
45
|
12
|
6
|
215
|
115
|
350
|
300
|
250
|
|
|
P180
|
48
|
52
|
14
|
6
|
215
|
115
|
350
|
300
|
250
|
|
|
P200
|
55
|
59
|
16
|
7
|
215
|
115
|
400
|
350
|
300
|
|
|
P225
|
60
|
64
|
18
|
7
|
215
|
145
|
450
|
400
|
350
|
|
|
C..151
|
P132
|
38
|
41
|
10
|
5
|
150
|
85
|
300
|
265
|
230
|
|
P160
|
42
|
45
|
12
|
6
|
215
|
115
|
350
|
300
|
250
|
|
|
P180
|
48
|
52
|
14
|
6
|
215
|
115
|
350
|
300
|
250
|
|
|
P200
|
55
|
59
|
16
|
7
|
215
|
115
|
400
|
350
|
300
|
|
|
P225
|
60
|
64
|
18
|
7
|
215
|
145
|
450
|
400
|
350
|
C31、C41、C61、C71、C81、C91、C101、C121、C151、一級斜齒輪減速機輸入軸尺寸

|
|
|
d1
|
E1
|
L2
|
r1
|
t1
|
|
C..31
|
AD1
|
16
|
40
|
115
|
5
|
18
|
|
AD2
|
19
|
40
|
115
|
6
|
21.5
|
|
|
C..41
C..61
|
AD2
|
19
|
40
|
120
|
6
|
21.5
|
|
AD3
|
24
|
50
|
130
|
8
|
27
|
|
|
C..71
|
AD2
|
19
|
40
|
130
|
6
|
21.5
|
|
AD3
|
24
|
50
|
140
|
8
|
27
|
|
|
AD4
|
38
|
50
|
140
|
10
|
41
|
|
|
C..81
|
AD2
|
19
|
40
|
160
|
6
|
21.5
|
|
AD3
|
28
|
60
|
180
|
8
|
31
|
|
|
AD4
|
38
|
80
|
200
|
10
|
41
|
|
|
AD5
|
42
|
80
|
200
|
12
|
45
|
|
|
C..91
|
AD3
|
28
|
60
|
200
|
8
|
31
|
|
AD4
|
38
|
80
|
220
|
10
|
41
|
|
|
AD5
|
42
|
80
|
220
|
12
|
45
|
|
|
AD6
|
48
|
80
|
220
|
14
|
51.5
|
|
|
C..101
|
AD3
|
28
|
60
|
220
|
8
|
31
|
|
AD4
|
38
|
80
|
240
|
10
|
41
|
|
|
AD5
|
42
|
110
|
270
|
12
|
45
|
|
|
AD6
|
48
|
110
|
270
|
14
|
51.5
|
|
|
C..121
|
AD4
|
38
|
80
|
267
|
10
|
41
|
|
AD5
|
42
|
110
|
297
|
12
|
45
|
|
|
AD6
|
48
|
110
|
297
|
14
|
51.5
|
|
|
AD7
|
55
|
110
|
297
|
16
|
59
|
|
|
AD8
|
70
|
110
|
297
|
20
|
74.5
|
|
|
C..151
|
AD5
|
42
|
110
|
297
|
12
|
45
|
|
AD6
|
48
|
110
|
297
|
14
|
51.5
|
|
|
AD7
|
55
|
110
|
297
|
16
|
59
|
|
|
AD8
|
70
|
140
|
374
|
20
|
74.5
|