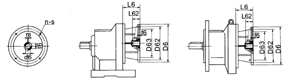
CE二級斜齒輪減速機安裝尺寸圖
www.eghtebas.com 格魯夫機械 2015-07-03 09:03:33
點擊:
CE32、CE42、CE62、CE72、CE82、CE92、CE102、二級斜齒輪減速機安裝尺寸圖表

|
|
CE32
|
CE42
|
CE62
|
CE72
|
CE82
|
CE92
|
CE102
|
|
A1
|
17
|
17
|
17
|
22
|
27
|
16
|
17
|
|
a
|
120
|
160
|
180
|
210
|
250
|
300
|
350
|
|
a0
|
95
|
130
|
150
|
170
|
200
|
250
|
280
|
|
a1
|
160
|
200
|
250
|
300
|
350
|
400
|
450
|
|
b
|
125
|
145
|
160
|
200
|
250
|
300
|
350
|
|
b0
|
100
|
110
|
115
|
150
|
190
|
230
|
260
|
|
b1
|
110
|
130
|
180
|
230
|
250
|
300
|
350
|
|
c
|
12
|
16
|
20
|
28
|
40
|
50
|
55
|
|
c1
|
9
|
12
|
16
|
16
|
18
|
20
|
22
|
|
d
|
20
|
25
|
30
|
40
|
50
|
60
|
70
|
|
E
|
40
|
50
|
60
|
80
|
100
|
120
|
140
|
|
e1
|
130
|
165
|
215
|
265
|
300
|
350
|
400
|
|
f1
|
3
|
3.5
|
4
|
4
|
4
|
5
|
5
|
|
h
|
90
|
105
|
115
|
140
|
180
|
225
|
250
|
|
L
|
142
|
177
|
202
|
240
|
290
|
346
|
395
|
|
M
|
45
|
55
|
66
|
86
|
106
|
127
|
150
|
|
n1
|
4
|
4
|
4
|
4
|
4
|
8
|
8
|
|
P
|
150
|
185
|
195
|
240
|
305
|
375
|
425
|
|
P3
|
95
|
107
|
117
|
143
|
183
|
228
|
258
|
|
r
|
6
|
8
|
8
|
12
|
14
|
18
|
20
|
|
S
|
9
|
11
|
12
|
14
|
18
|
18
|
22
|
|
S1
|
9
|
11
|
14
|
14
|
18
|
18
|
18
|
|
t
|
22.5
|
28
|
33
|
43
|
53.5
|
64
|
74.5
|
CE32、CE42、CE62、CE72、CE82、CE92、CE102、二級斜齒輪減速機連接法蘭尺寸
|
|
|
d6
|
t6
|
r6
|
f6
|
L6
|
L62
|
D6
|
D62
|
D63
|
|
CE..32
|
P63
|
11
|
13
|
4
|
3.5
|
83
|
26
|
140
|
115
|
95
|
|
P71
|
14
|
16
|
5
|
3.5
|
83
|
33
|
160
|
130
|
110
|
|
|
P80
|
19
|
22
|
6
|
4.5
|
103
|
43
|
200
|
165
|
130
|
|
|
P90
|
24
|
27
|
8
|
4.5
|
103
|
53
|
200
|
165
|
130
|
|
|
CE..42
CE..62
|
P63
|
11
|
13
|
4
|
3.5
|
83
|
26
|
140
|
115
|
95
|
|
P71
|
14
|
16
|
5
|
3.5
|
103
|
33
|
160
|
130
|
110
|
|
|
P80
|
19
|
22
|
6
|
4.5
|
103
|
43
|
200
|
165
|
130
|
|
|
P90
|
24
|
27
|
8
|
4.5
|
103
|
53
|
200
|
165
|
130
|
|
|
P100
|
28
|
31
|
8
|
5
|
110
|
63
|
250
|
215
|
180
|
|
|
P112
|
28
|
31
|
8
|
5
|
110
|
63
|
250
|
215
|
180
|
|
|
CE..72
|
P63
|
11
|
13
|
4
|
3.5
|
103
|
26
|
140
|
115
|
95
|
|
P71
|
14
|
16
|
5
|
3.5
|
103
|
33
|
160
|
130
|
110
|
|
|
P80
|
19
|
22
|
6
|
4.5
|
110
|
43
|
200
|
165
|
130
|
|
|
P90
|
24
|
27
|
8
|
4.5
|
110
|
53
|
200
|
165
|
130
|
|
|
P100
|
28
|
31
|
8
|
5
|
110
|
63
|
250
|
215
|
180
|
|
|
P112
|
28
|
31
|
8
|
5
|
110
|
63
|
250
|
215
|
180
|
|
|
P132
|
38
|
41
|
10
|
5
|
133
|
85
|
300
|
265
|
230
|
|
|
CE..82
|
P80
|
19
|
22
|
6
|
4.5
|
110
|
43
|
200
|
165
|
130
|
|
P90
|
24
|
27
|
8
|
4.5
|
110
|
53
|
200
|
165
|
130
|
|
|
P100
|
28
|
31
|
8
|
5
|
133
|
63
|
250
|
215
|
180
|
|
|
P112
|
28
|
31
|
8
|
5
|
133
|
63
|
250
|
215
|
180
|
|
|
P132
|
38
|
41
|
10
|
5
|
133
|
85
|
300
|
265
|
230
|
|
|
P160
|
42
|
45
|
12
|
6
|
171
|
115
|
350
|
300
|
250
|
|
|
CE..92
|
P100
|
28
|
31
|
8
|
5
|
133
|
63
|
250
|
215
|
180
|
|
P112
|
28
|
31
|
8
|
5
|
133
|
63
|
250
|
215
|
180
|
|
|
P132
|
38
|
41
|
10
|
5
|
171
|
85
|
300
|
265
|
230
|
|
|
P160
|
42
|
45
|
12
|
6
|
171
|
115
|
350
|
300
|
250
|
|
|
P180
|
48
|
52
|
14
|
6
|
171
|
115
|
350
|
300
|
250
|
|
|
CE..102
|
P100
|
28
|
31
|
8
|
5
|
171
|
63
|
250
|
215
|
180
|
|
P112
|
28
|
31
|
8
|
5
|
171
|
63
|
250
|
215
|
180
|
|
|
P132
|
38
|
41
|
10
|
5
|
171
|
85
|
300
|
265
|
230
|
|
|
P160
|
42
|
45
|
12
|
6
|
171
|
115
|
350
|
300
|
250
|
|
|
P180
|
48
|
52
|
14
|
6
|
171
|
115
|
350
|
300
|
250
|
|
|
P200
|
55
|
59
|
16
|
7
|
171
|
115
|
400
|
350
|
300
|
|
|
P225
|
60
|
64
|
18
|
7
|
215
|
145
|
450
|
400
|
350
|
CE32、CE42、CE62、CE72、CE82、CE92、CE102、二級斜齒輪減速機輸入軸尺寸

|
|
|
d1
|
E1
|
L2
|
r1
|
t1
|
|
CE..32
|
AD1
|
16
|
40
|
115
|
5
|
18
|
|
AD2
|
19
|
40
|
115
|
6
|
21.5
|
|
|
CE..42
CE..62
|
AD2
|
19
|
40
|
120
|
6
|
21.5
|
|
AD3
|
24
|
50
|
130
|
8
|
27
|
|
|
CE..72
|
AD2
|
19
|
40
|
130
|
6
|
21.5
|
|
AD3
|
24
|
50
|
140
|
8
|
27
|
|
|
AD4
|
38
|
50
|
140
|
10
|
41
|
|
|
CE..82
|
AD2
|
19
|
40
|
160
|
6
|
21.5
|
|
AD3
|
28
|
60
|
180
|
8
|
31
|
|
|
AD4
|
38
|
80
|
200
|
10
|
41
|
|
|
AD5
|
42
|
80
|
200
|
12
|
45
|
|
|
CE..92
|
AD3
|
28
|
60
|
200
|
8
|
31
|
|
AD4
|
38
|
80
|
220
|
10
|
41
|
|
|
AD5
|
42
|
80
|
220
|
12
|
45
|
|
|
AD6
|
48
|
80
|
220
|
14
|
51.5
|
|
|
CE..102
|
AD3
|
28
|
60
|
220
|
8
|
31
|
|
AD4
|
38
|
80
|
240
|
10
|
41
|
|
|
AD5
|
42
|
110
|
270
|
12
|
45
|
|
|
AD6
|
48
|
110
|
270
|
14
|
51.5
|