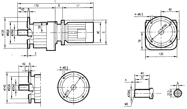
RF17減速機安裝尺寸圖
www.eghtebas.com 格魯夫機械 2020-02-07 10:15:52
點擊:
RF17減速機產品簡介及適用范圍
1.高度模塊化設計:機以方便地配用各種型式的電動機或采用其它動力輸入。同種機型可配用多種功率的電動機。容易穿刺各機型間組合聯(lián)接。
2.傳動比:劃分細,范圍廣。組合機型可以形成很大的傳動比,即輸出極低的轉速。
3.安裝形式:安裝位置不受限制。
4.強度高、體積?。合潴w采用高強度鑄鐵。齒輪及齒輪軸采用氣體滲碳淬火精磨工藝,因而單位體積承載能力高。
5.使用壽命長:在正確選型(包括選用適當的使用系數)和正常使用維護的條件下,減速機(除易損件外)的主要零部件壽命一般不低于20000小時。易損件包括潤滑油、油封以及軸承。
6.噪聲低:減速機主要零部件都經過精密加工,并通過精心組裝和測試因而減速機噪聲較低。
7.效率高:單要型效率不低于95%。
8.可承受較大的徑向載荷。
9.可承受不大于徑向力10%的軸向載荷。
二、適用范圍
本減速電機適合在環(huán)境溫度-10℃到+40℃條件下運行,海拔高度可達1000米。
可用于正反轉。
無行業(yè)限制。
在其它條件下使用時請與技術部聯(lián)系。
GR系列斜齒輪減速電機的安裝圖例
各種安裝形式定義為:
M1-電機水平放置;減速機底腳(GR,GRX型)或底部(GRF、GRXF)朝下。
M2-電機居下。
M3-電機水平放置;減速機底腳(GR,GRX型)或底部(GRF、GRXF型)朝上。
M4-電機居上。
M5-電機水平放置;當減速機在M1安裝位置時,從電機方向年,減速機的左面旋轉到下方位置。
M6-電機水平放置;當減速機在M1安裝位置時,從電機方向看,減速機的左面旋轉到上方位置。

GRF17減速機-GR167斜齒輪減速電機安裝示例圖


GRF17斜齒輪減速機安裝結構尺寸

|
電機機座號
|
63
|
71
|
80
|
|
AC
|
130
|
145
|
175
|
|
AD
|
70
|
80
|
145
|
|
B
|
45
|
50.5
|
60.5
|
|
G
|
140
|
160
|
200
|
|
L1
|
207
|
225
|
255
|
|
L
|
422
|
445.5
|
485.5
|
關鍵詞:
RF17減速機