
|
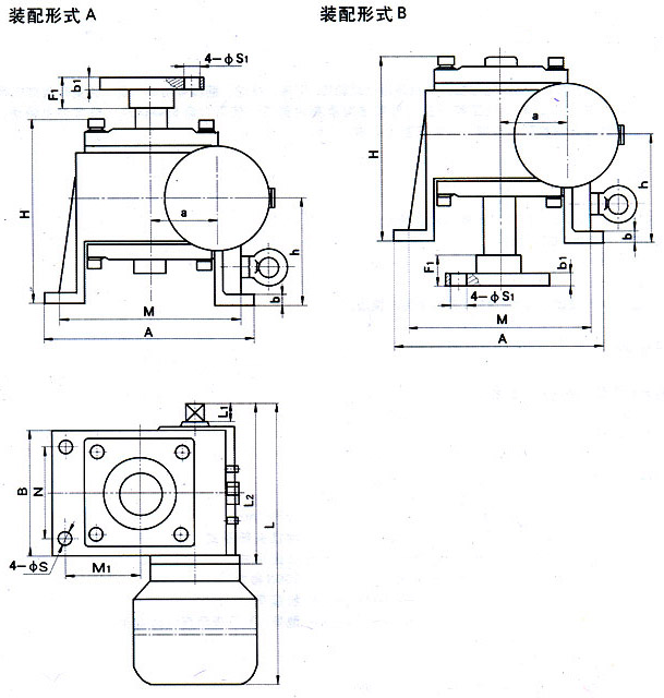
型號
|
YWJ63
|
YWJ80
|
YWJ100
|
YWJ125
|
YWJ160
|
YWJ200
|
|
H
|
180
|
212
|
273
|
275
|
410
|
462
|
|
h
|
105
|
125
|
160
|
160
|
235
|
258
|
|
b
|
12
|
15
|
25
|
25
|
30
|
35
|
|
A
|
198
|
251
|
350
|
357
|
458
|
526
|
|
B
|
144
|
176
|
255
|
257
|
338
|
416
|
|
M
|
168
|
219
|
302
|
307
|
401
|
470
|
|
N
|
108
|
140
|
202
|
207
|
280
|
358
|
|
M1
|
84
|
109.5
|
151
|
153.5
|
200.5
|
235
|
|
L
|
500
|
596
|
747
|
847
|
1075
|
1278
|
|
L1
|
20
|
25
|
25
|
35
|
35
|
45
|
|
L2
|
201
|
256
|
347
|
336
|
460
|
538
|
|
a
|
63
|
80
|
100
|
125
|
160
|
200
|
|
S
|
15
|
15
|
18
|
18
|
22
|
22
|
|
S1
|
15
|
15
|
15
|
18
|
22
|
22
|
|
b1
|
12
|
18
|
20
|
20
|
20
|
25
|
|
F1
|
30
|
40
|
50
|
50
|
60
|
63
|