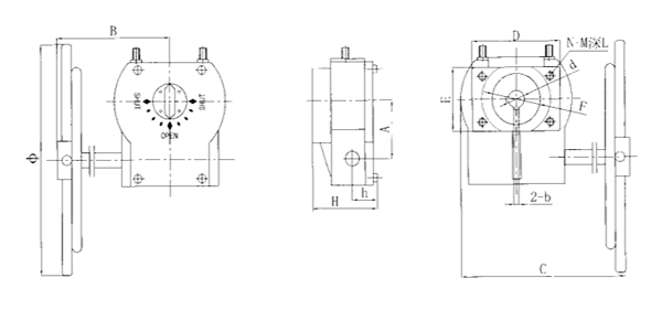
ZQDX3系列部分回轉(zhuǎn)型閥門減速機手動裝置外形及安裝尺寸
www.eghtebas.com 格魯夫機械 2015-05-15 09:51:05
點擊:
|

ZQDX3系列部分回轉(zhuǎn)型閥門手動裝置外形及安裝尺寸

|
|
A
|
B
|
C
|
D
|
E
|
F
|
d
|
H
|
h
|
2-b
|
N-N深L
|
|
φ
|
|
|
ZQDX3-A
|
90
|
220
|
300
|
140
|
100
|
75
|
30
|
150
|
50
|
10
|
4-M12-28
|
100×80
|
400
|
26kg
|
|
ZQDX3-B
|
125
|
340
|
440
|
180
|
130
|
100
|
40
|
120
|
60
|
10
|
4-M20-32
|
140×90
|
560
|
30kg
|

|
|
A
|
B
|
C
|
D
|
E
|
d
|
H
|
h
|
2-b
|
N-N深L
|
|
φ
|
|
|
ZQDX3-C
|
200
|
580
|
170
|
200
|
260
|
50
|
130
|
60
|
14
|
6-M20-28
|
φ220
|
600
|
53kg
|
|
ZQDX3-D
|
260
|
660
|
250
|
250
|
320
|
70
|
180
|
80
|
14
|
6-M24-34
|
φ260
|
800
|
61kg
|
|
|